Košík je prázdný        
        Řadové svornice RSA jsou určeny pro spojování elektrických obvodů malého a nízkého napětí měděnými tuhými, i ohebnými, eventuelně hliníkovými vodiči. Rozsah možných připojitelných vodičů je od 0,15 mm? do 95 mm?. Ohebné vodiče není nutné zakončovat dutinkou. Svornice je možné aplikovat dle ČSN 33 2000-5-51 ed. 3 v prostředí s vnějšími vlivy AB 7, AF 2 a vybrané svornice i v prostředí s vnějšími vlivy dle AG 2 a AH 2. Řadové svornice RSA 2,5 A až RSA 35 A jsou ověřeny klimatickou zkouškou do teploty prostředí -40 °C. Pro splnění a dodržení legislativních a bezpečnostních požadavků je nutné při instalaci propojek RSA 6 A a RSA 10 A vždy použít boční přepážky (jak mezi sebou, tak i v případě použití pouze jedné propojky, kde nevložením přepážky dojde ke zkrácení vzdušné vzdálenosti mezi propojkou a můstkem následné svornice asi na polovinu # cca 5 mm).   Vybrané svornice jsou zkoušeny na seizmickou odolnost dle ČSN IEC 980:1993 a norem souvisejících a podle certifikace GOST R. Řadové svornice RSA jsou určeny pro použití ve všech segmentech elektrotechnického průmyslu včetně nejnáročnějších energetických provozů. Při použití hliníkových vodičů ve svornicích se postupuje dle technické informace TNI 37 0606.
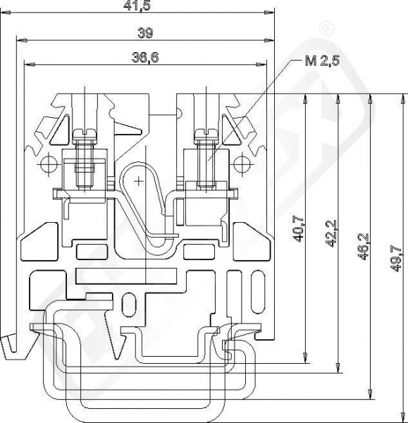
- Způsob montáže:DIN lišta 35 mm
 - Barva:Bílá
 - Jmenovité napětí:1000,0 V
 - Délka:41,5 mm
 - Rozsah provozních teplot:-40,00 °C
 - Typ izolačního materiálu:Termoplast
 - Třída hořlavosti izolačního materiálu dle UL94:V0
 - Šířka / rozteč mřížky:5,00 mm
 - Výška v nejnižší možné montážní výšce:40,50 mm
 - Nevýbušné provedení dle EEx e:ne
 - Uzavírací deska nutná:Ano
 - Druh elektrického připojení 1:Šroubová svorka
 - Druh elektrického připojení 2:Šroubová svorka
 - Počet pater:1,0
 - Počet připojovacích bodů na úrovni:2,0
 - Interní přemostění:Ne
 - Připoj.vodič drát jednožilový:2,50 mm2
 - Připoj.vodič lanko s dutinkou:1,50 mm2
 - Připoj.vodič lanko bez dutinky:2,50 mm2
 - Připoj.vodič drát vícežilový:2,5 mm2
 - Pozice připojení:Nahoře
 - Jmenovitý proud In:24,0 A
 





